ArduinoNano1
LチカからLCDの表示
最近はraspberry Pi picoに興味があり,秋月電子に注文してしまいました。
picoが来るまでの間、マレーシアから持ち帰ったガラクタをひっくり返していたら、Arduino nanoが出てきました。
なので取りあえずnanoを動かして見ることにしました。
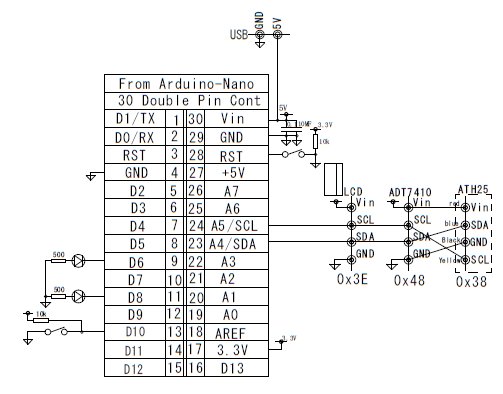
まず基板に回路を考え、仮組みして今回やることは
1 LED 2回路 ---Lチカ
2 SW 2回路---1回路(RESET用) 1回路(テスト用)
3 I2C 3回路 ---LCD(AQM1602XA-GWB-11C) ATH25(温湿度) ADT7410(温度のみ)

回路はこんな感じです。
今回はスケッチを用いて、プログラムしてみたいと思います。スケッチの導入法や使い方は、多くの諸先輩方が書いておられるので、省略します。
STEP1 まずはLチカから、ついでにSTEP2のSWテストも含めて
(try1.ino)
int led1=8;
int led2=6;
int sw1=10;
void setup() {
pinMode(led1, OUTPUT); // D8を出力に設定
pinMode(led2, OUTPUT); // D6を出力に設定
pinMode(sw1, INPUT); // D10を入力に設定
}
void loop() {
if (digitalRead(sw1)==HIGH){
digitalWrite(led1, HIGH);
digitalWrite(led2, LOW);
delay(1000);
digitalWrite(led1, LOW);
digitalWrite(led2, HIGH);
delay(1000);
}
else{
digitalWrite(led1, HIGH);
digitalWrite(led2, HIGH);
}
}
何とかうまく動きました。
STP3 その1
次にI2Cを動かしてみたいと思います。
最初に表示器が動けばセンサーからの数値が直接目に見える形に出来ます。センサーのテストなどでぐっとらくになります。
LCDは秋月から仕入れました。AQM1602XA-GWB-11Cです。アドレスは0x3Eです。
このLCDは、初期処理用ルーチンとコマンド書き込みルーチンと書き込みルーチーンを最初に作っておけば、書き込みは自由に出来ます。
void init_LCD(void){
delay(100);
writeCommand(0x38); // FUNCTION SET
delay(20);
writeCommand(0x39); // IS=1
delay(20);
writeCommand(0x14); // INT OSC FREQUENCY
delay(20);
writeCommand(0x73); // CONTRAST SET 0,1,2,3
delay(20);
writeCommand(0x56); // CONTRAST SET 4,5
delay(20);
writeCommand(0x6C); // F0LLOWER CONTROL
delay(20);
writeCommand(0x38); // IS=0
delay(20);
writeCommand(0x0C); // Display ON
delay(20);
writeCommand(0x01); // Clear Display
delay(20);
writeCommand(0x06); // Entry Mode
delay(20);
}
これが初期ルーチンでスケッチの
void setup(void){...}
の中に書き込みます。
動くようになってからCONTRAST SETの値を少しずつ変えて見ると表示が明るくなったり濃くなったりします。自分の見やすい数値を見つけ値を固定します。
下記は、LCDへのコマンド書き込みルーチンです。
void writeCommand(char t_command){
Wire.beginTransmission(DEVICE_ADDRESS);
Wire.write(0x00);
Wire.write(t_command);
Wire.endTransmission();
delay(10);
}
下記は, LCDへのデーター書き込みルーチンです。
void writeData(char t_data){
Wire.beginTransmission(DEVICE_ADDRESS);
Wire.write(0x40);
Wire.write(t_data);
Wire.endTransmission();
delay(1);
}
上記コマンド書き込みルーチンとデーター書き込みルーチンがあれば、取りあえず表示は何でも出来ちゃうことになります。
ネオンサインのように表示が切り替わります。大成功です。
これで、LCDの書き込みが出来ました。
次はI2Cを使ってセンサーを読み取り、LCDに表示させれば良いわけです。
センサーの読み取りはそんなに難しくありませんが、読み取りの後、元の整数値に戻す作業があります。結構めんどくさいですが、マニュアルどおりにやればなんとかなりそうです。これは
次ページにて行います。